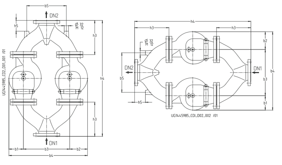
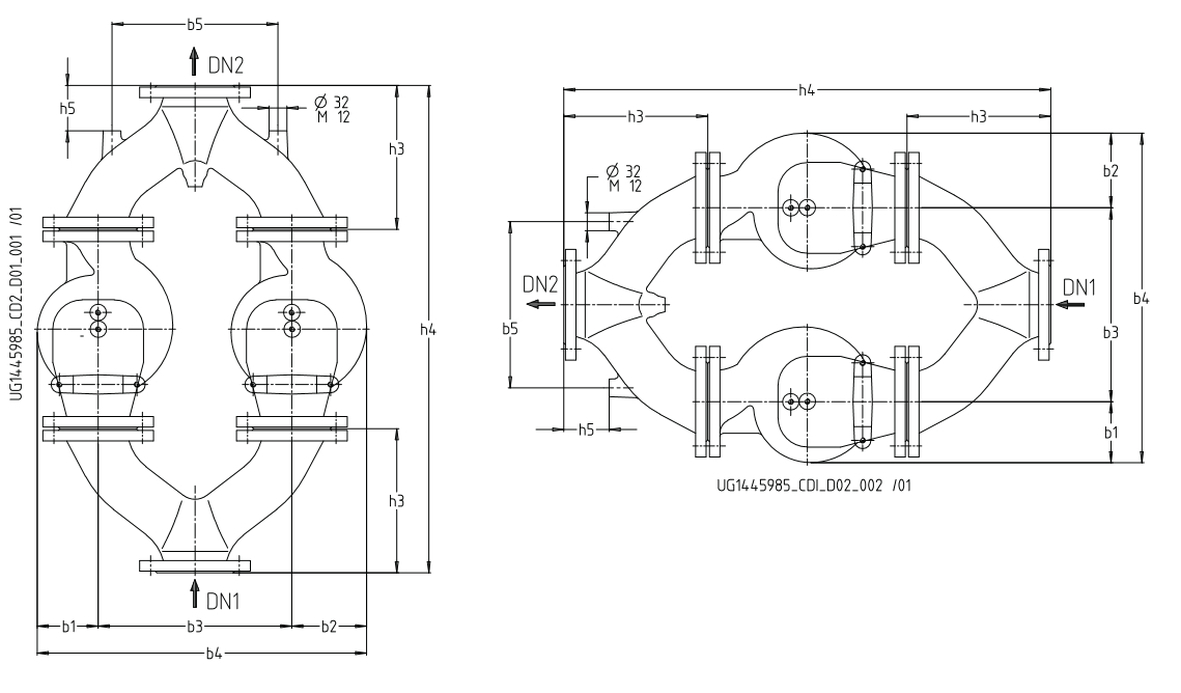
Broekstuk DN50 KSB

4938072 MFG #: 40000689
€1.044,17 / 1.00
  • Merk: KSB