Filter radiostoring, 1-fase Filter radiostoring 787-980 Wago
4097830
MFG #: 787-980
€167,00
/ 1.00
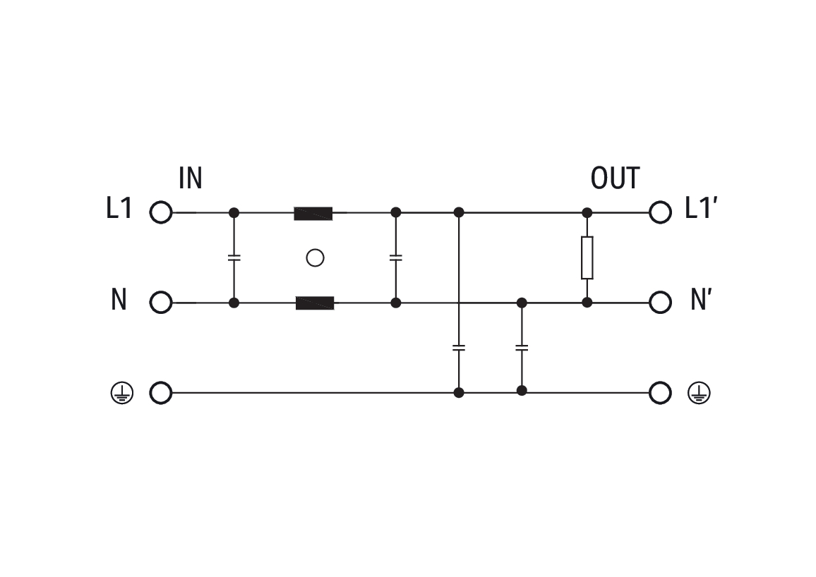
- Beschermingsgraad (IP): IP20
- Geschikt als du/dt-filter: Nee
- Geschikt als radio-ontstoorfilter: Ja
- Geschikt als sinusfilter: Nee
- Geschikt als toonfrequentievergrendeling: Nee
- Max. nom. bedrijfsspanning Ue: 250 V
- Merk: Wago
- Nom. (meet)bedrijfsfrequentie: 50 - 60 Hz
- Nom. (meet)stroom bij AC: 10 - 10 A
- Serie: Series 787
- Type: 787-980
